Bei der Ansteuerung einer Ratio-Clamp® muss diese zuerst durch Beaufschlagung am Entriegelungsanschluss gelöst werden, erst danach darf die Bewegung der Stange erfolgen.
Beim Einsatz einer Klemmeinheit zusammen mit einem Hydraulikzylinder kann dies durch eine hydraulische Folgesteuerung erfolgen:
Erst erfolgt der Aufbau des Entriegelungsdruckes, anschließend wird der Zylinder beaufschlagt. Passende Ventile spannen den Druck im Zylinder ein, so dass auch bei senkrechten Lasten die Ratio-Clamp® nahezu ruckfrei entriegelt werden kann.
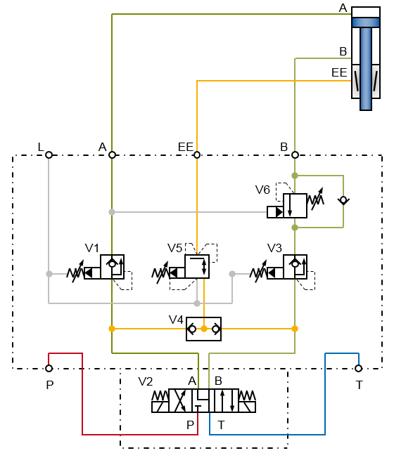
Zwischen Wegeventil V2, Klemmeinheit und Hydraulikzylinder eingebaut, sorgt der Steuerblock für eine folgerichtige und funktionsgerechte Steuerung und reduziert damit den schaltungstechnischen Aufwand für den Anwender auf ein Minimum.
Steuerblock Grundausführung: geeignet für eine horizontale Einbaulage der Klemmeinheit, Einsatz bis 160 bar.
Steuerblock Universalausführung: geeignet für eine horizontale und senkrechte Einbaulage der Klemmeinheit, Einsatz bis 300 bar.
Integrierte Funktionen
Folgeablauf
Beim Einsatz einer Klemmeinheit Ratio-Clamp® zusammen mit einem Hydraulikzylinder muss zuerst die Klemmeinheit durch Beaufschlagung am Entriegelungsanschluss EE gelöst werden, erst dann darf die Bewegung der Stange durch entsprechende Beaufschlagung der Wirkflächen des Zylinders über die Anschlussleitungen A bzw. B erfolgen.
Wenn der Druck in den Anschlussleitungen A bzw. B zum Hydraulikzylinders abfällt, zum Beispiel durch das Umschalten eines Wegeventils nach Erreichung einer bestimmten Position, fällt auch der Druck im Entriegelungsanschluss EE ab und die Klemmeinheit Ratio-Clamp® wird wieder verriegelt.
Dieser Ablauf erfolgt sowohl in der Grundausführung als auch in der Universalausführung bei Verwendung des Steuerblockes automatisch. Das Wechselventil V4 steuert den Entriegungsdruck der Klemmeinheit an und erst wenn hier der Druck aufgebaut ist beaufschlagen die jeweiligen Druckfolgeventile V1 bzw. V3 die entsprechenden Kammern des Zylinders.
Last halten
Bei senkrechtem Einbau wird die Last am Zylinder von der Klemmeinheit übernommen. Die Last ist gesichert.
In der Zylinderkammer am Anschluss B wird dabei der der Last entsprechende Haltedruck durch das Senkbremsventil V6 eingesperrt.
Bei Wiederanfahren nach dem Klemmen, also beim Entriegeln, übernimmt dieser Haltedruck die Last solange, bis der der Öffnungsdruck des Ventils erreicht ist und der Zylinder verfährt. Dadurch ist ein nahezu ruckfreies Wiederanfahren möglich.
Diese Funktion ist nur in der Universalausführung realisiert.
Druckreduzierung
In der Universalversion 300 bar begrenzt das Druckreduzierventil V5 den Entriegelungsdruck auf 160 bar. Dies ist der maximal zulässige Entriegelungsdruck einer Klemmeinheit Ratio-Clamp®.
Diese Funktion ist insbesondere dann notwendig, wenn der Zylinder bei höherem Druck betrieben werden soll.
Bitte beachten Sie, dass die Klemmeinheit nur bis zur maximal zulässigen Haltekraft belastet werden darf.
Diese Funktion ist nur in der Universalausführung realisiert.
| A |
Anschluss ausfahren | V1, V3 | Druckfolgeventile |
| B | Anschluss einfahren | V2 | Wegeventil |
| EE | Entriegelungsanschluss | V4 | Wechselventil |
| L | Leckölanschluss | V5 | Druckreduzierventil pmax = 160 bar |
| P, T | Anschluss Druck, Tank | V6 | Senkbremsventil |
Auch bei Einsatz der Klemmeinheit ohne Zylinder ist zu beachten, dass die Klemmeinheit erst vollständig entriegelt sein muss, bevor sich die Stange bewegt.
Bei Einsatz für hohen Performancelevel kann das Senkbremsventil V6 auch mit Rückmeldung ausgeführt werden.
Technische Daten
Maximaler Druck pmax = 300 bar
Volumenstrom Vmax = 45 l/min
Öltemperatur -20 °C bis 80 °C
Dichtungen aus NBR
Mineralöl VG 20 bis 68 HLP, HLPD nach DIN 51524, Reinheit 19/17/14 nach ISO 4406