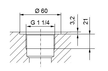
Rohrgewinde ISO 228 Teil 1 - G1 1/4 für Einschraubzapfen nach DIN 3852 Teil 2, Form A (mit Dichtring nach DIN 3869) oder Form B (mit Dichtkante)
Kein Dichtmittel verwenden.